Будьте всегда в курсе!
Узнавайте о скидках и акциях первым
Новости
Все новости
23 января 2026
Важное сообщение о работе нашего сайта
28 февраля 2022
Цены на сайте
30 декабря 2021
Режим работы ЛАД Фурнитура на новогодние праздники
Ответная планка Avers BP-0045-ZN (B2B)
Артикул:
00029108
Ответная планка Avers BP-0045-ZN (B2B)
Подробнее
Есть в наличии
Наши менеджеры обязательно свяжутся с вами и уточнят условия заказа
Цена действительна только для интернет-магазина и может отличаться от цен в розничных магазинах
- Описание
- Характеристики
- Отзывы
- Задать вопрос
-
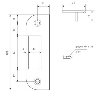
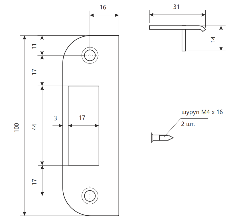
ОписаниеОтветная планка Avers BP-0045-ZN (B2B) - это металлическая пластина, в которую входят ригели либо язычок замка или защелки. Она размещается на дверной коробке и является обязательным элементом для деревянных или металлических дверей, защищающим дверную коробку от износа, вызванного прохождением ригелей или язычка замка. Ответная планка также выполняет роль элемента декора, скрывая отверстия в дверной раме.
- Цвет: Цинк
- Материал: Оцинкованная сталь
- Покрытие: Оцинкованное
- Размеры: 100х31 мм
- Расстояние между отверстиями крепежа: 78 мм
- Тип крепежа: саморезы
- Толщина: 1,5 мм
Документы
Эскиз ответной планки Avers BP-0045-ZN (B2B) Размер: 125,6 кб -
Характеристики
Бренд Avers Цвет Цинк Страна происхождения Китай Бренд_число 57 Страна происхождения Китай Вес, кг 0.06 Гарантия 1 год - Отзывы
-
Задать вопросВы можете задать любой интересующий вас вопрос по товару или работе магазина.
Наши квалифицированные специалисты обязательно вам помогут.

























