Будьте всегда в курсе!
Узнавайте о скидках и акциях первым
Новости
Все новости
28 февраля 2022
Цены на сайте
30 декабря 2021
Режим работы ЛАД Фурнитура на новогодние праздники
15 июля 2020
Новый экономичный замок для калиток
Ручки раздельные Avers H-0661-CR
- Описание
- Характеристики
- Отзывы
- Задать вопрос
-
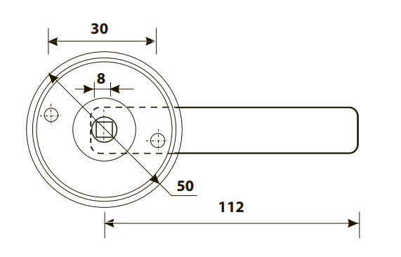
ОписаниеРучки раздельные Avers H-0661-CR для межкомнатных дверей. Материал изготовления – алюминий. Все ручки этой серии имеют единый посадочный размер, крепление осуществляется с помощью стяжек, ручка укомплектована квадратом сечением 8 мм. Рекомендованы для установки на деревянные двери.
- Цвет: Хром;
- Длина квадрата: 90 мм;
- Покрытие: Гальваника;
- Тип упаковки: Пакет.
Документы
Эскиз раздельных ручек Avers H-0661-CR Размер: 633,6 кб -
Характеристики
Бренд Avers Цвет Хром Форма основания Круглая Страна происхождения Китай Бренд_число 57 Страна происхождения Китай Вес, кг 0.21 Гарантия 1 год - Отзывы
-
Задать вопросВы можете задать любой интересующий вас вопрос по товару или работе магазина.
Наши квалифицированные специалисты обязательно вам помогут.


























