Будьте всегда в курсе!
Узнавайте о скидках и акциях первым
Новости
Все новости
23 января 2026
Важное сообщение о работе нашего сайта
28 февраля 2022
Цены на сайте
30 декабря 2021
Режим работы ЛАД Фурнитура на новогодние праздники
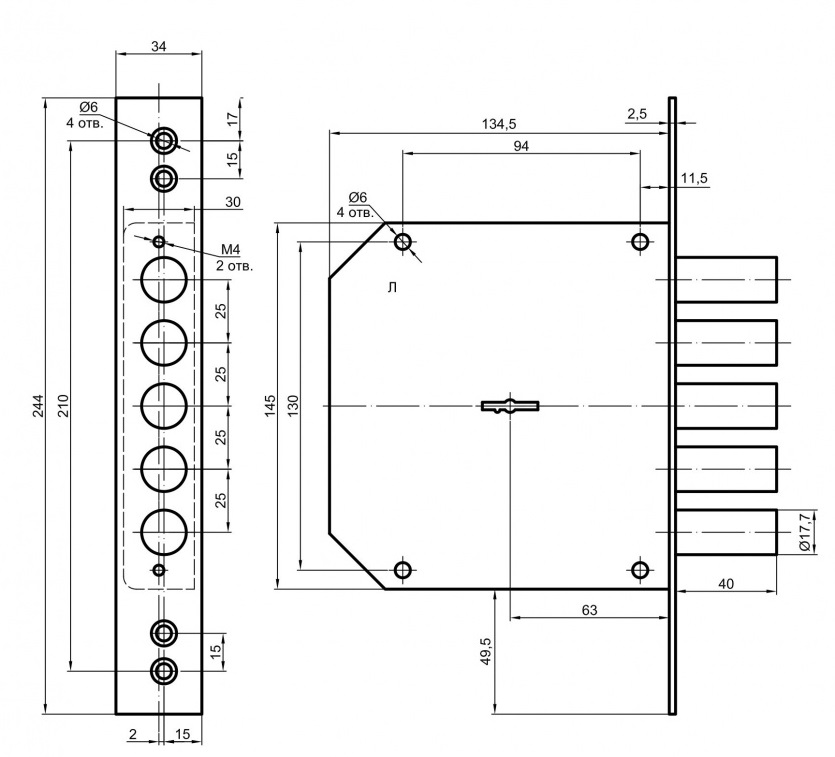
Замок врезной BORDER (72224) ЗВ 8-6 ЛК5/15 (BLOCKIDO L3 72234)
- Описание
- Характеристики
- Отзывы
- Задать вопрос
-
ОписаниеВрезной замок BORDER 72224 ЗВ8-6К.Л5/15 6-ти сувальдный универсальный без тяг . Устанавливается на металлические входные двери левого открывания.
- Дверной замок с 5 ригелями, диаметром 17.7 мм и вылетом 40 мм.
- Количество комбинаций 120 000.
- В комплекте 5 ключей длиной 102 мм.
- Механизм секретности сувальдный.
- В одном из ригелей каленый стержень обеспечивает защиту от перепиливания засова.
-
Характеристики
Бренд Border Цвет Хром Тип механизма секретности Сувальдный Левый/Правый Левый Класс защиты 4 Тип замка Врезной Назначение Для металлических дверей Тип замка Врезной Защелка Нет Тип механизма секретности Сувальдный Цвет лицевой планки Хром Количество ригелей, шт 5 Вылет ригелей 40 мм Диаметр ригеля 17,7 мм Удаление ключевого отверстия (Backset) 65,5 мм Автоматическое запирание Не автоматическое Защелка Нет Бренд_число 59 Вылет ригелей 40 мм Левый/Правый Левый Вес, кг 2.14 Гарантия 7 лет - Отзывы
-
Задать вопросВы можете задать любой интересующий вас вопрос по товару или работе магазина.
Наши квалифицированные специалисты обязательно вам помогут.

























