Будьте всегда в курсе!
Узнавайте о скидках и акциях первым
Новости
Все новости
23 января 2026
Важное сообщение о работе нашего сайта
28 февраля 2022
Цены на сайте
30 декабря 2021
Режим работы ЛАД Фурнитура на новогодние праздники
Замок врезной Apecs 5300-P-CRS
- Характеристики
- Отзывы
- Задать вопрос
-
Характеристики
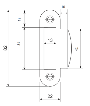
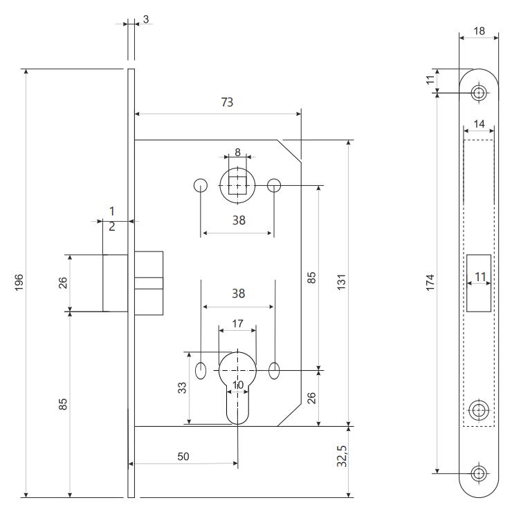
Аналоги Avers, chaz, МДС, Цилиндровые механизмы (личины), На главной, плавающий баннер Бренд Apecs Цвет Хром сатинированный Тип механизма секретности Цилиндровый Тип механизма защелки Классический Межосевое расстояние 85 мм Удаление ключевого отверстия (Backset) 50 мм Вес, кг 0.45 - Отзывы
-
Задать вопросВы можете задать любой интересующий вас вопрос по товару или работе магазина.
Наши квалифицированные специалисты обязательно вам помогут.


























