Будьте всегда в курсе!
Узнавайте о скидках и акциях первым
Новости
Все новости
23 января 2026
Важное сообщение о работе нашего сайта
28 февраля 2022
Цены на сайте
30 декабря 2021
Режим работы ЛАД Фурнитура на новогодние праздники
Защёлка Vanger 6072-01-AB
- Описание
- Характеристики
- Отзывы
- Задать вопрос
-
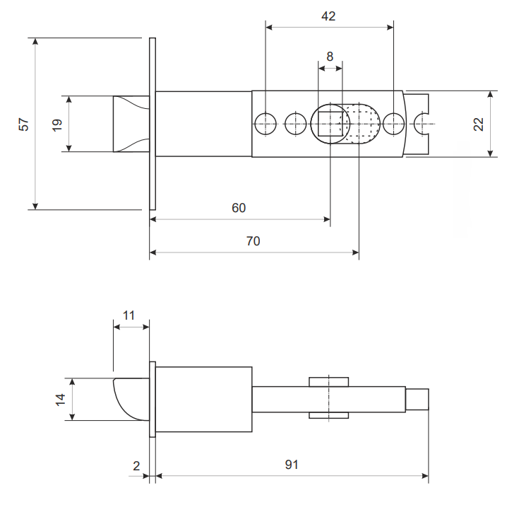
ОписаниеЗащёлка Vanger 6072-01-AB предназначена для установки в межкомнатные двери с рекомендуемой толщиной 35-45 мм. Минимальное удаление квадрата под ручку (от торца двери) 60 мм, а максимальное удаление 70 мм. Изготовлен из стали с последующим нанесением гальванического покрытия.
Документы
Эскиз защёлки Vanger 6072-01-AB Размер: 825,7 кб -
Характеристики
Бренд Vanger Цвет Бронза Тип фиксации Ключ-фиксатор Материал Сталь Тип механизма защелки Классический Покрытие ручек Гальваника Страна происхождения Китай Дополнительная фиксация Да Тип упаковки Коробка Количество ключей 3 Цвет лицевой планки Бронза Тип механизма защелки Классический Бренд_число 35517 Материал ручки Сталь Покрытие ручек Гальваника Цвет ручки Бронза Форма ручки Кнопка Рекомендуемая толщина дверного полотна 35-45 мм Дополнительная фиксация Да Тип фиксации Ключом Страна происхождения Китай Вес, кг 0.444 Гарантия 1 год - Отзывы
-
Задать вопросВы можете задать любой интересующий вас вопрос по товару или работе магазина.
Наши квалифицированные специалисты обязательно вам помогут.


























